出典
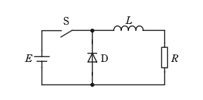
図のような直流チョッパがある。 直流電源電圧 E=400E = 400E=400 V、平滑リアクトル L=1L = 1L=1 mH、負荷抵抗 R=10R = 10R=10 Ω\OmegaΩ、スイッチ S の動作周波数 f=10f = 10f=10 kHz、通流率 d=0.6d = 0.6d=0.6 で回路が定常状態になっている。D はダイオードである。このとき負荷抵抗に流れる電流の平均値[A]として最も近いものを次の(1)~(5)のうちから一つ選べ。