出典
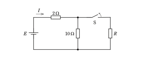
図のような直流回路において、スイッチ S を閉じているとき、222 Ω の抵抗を流れる電流は、スイッチ S を開いたときの電流の 333 倍であった。RRR の値[Ω]として、最も近いものを次の(1)~(5)のうちから一つ選べ。