Beta
ホーム
私たちについて
Neuro Quest|過去問ダンジョン
FAQ
ホーム
過去問ダンジョン
第二種電気工事士
2025年度 過去問解説
第二種電気工事士
/
2025年度 過去問解説
問4
電気理論
前の問題
問題
04
/ 50
タップで一覧
次の問題
出典
令和7年度 第二種電気工事士試験(下期)
問 4
問題マップ
誤り・バグを報告
イ
ロ
ハ
ニ
回答を確定する
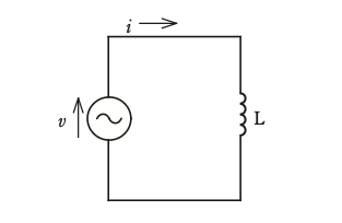
図のような正弦波交流回路の電源電圧 v に対する電流 i の波形として、正しいものは。