Beta
ホーム
私たちについて
Neuro Quest|過去問ダンジョン
FAQ
ホーム
過去問ダンジョン
第二種電気工事士
2025年度 過去問解説
第二種電気工事士
/
2025年度 過去問解説
問7
配線設計
前の問題
問題
07
/ 50
タップで一覧
次の問題
出典
令和7年度 第二種電気工事士試験(下期)
問 7
問題マップ
誤り・バグを報告
イ
ロ
ハ
ニ
回答を確定する
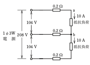
図のような単相3線式回路において、電線1線当たりの抵抗が 0.2 Ωのとき、a-b間の電圧 [V] は。
96
100
102
106