Beta
ホーム
私たちについて
Neuro Quest|過去問ダンジョン
FAQ
ホーム
過去問ダンジョン
第二種電気工事士
2025年度 過去問解説
第二種電気工事士
/
2025年度 過去問解説
問1
電気理論
前の問題
問題
01
/ 50
タップで一覧
次の問題
出典
令和7年度 第二種電気工事士試験(上期)
問 1
問題マップ
誤り・バグを報告
イ
ロ
ハ
ニ
回答を確定する
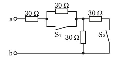
図のような回路で、スイッチ S₁を閉じ、スイッチ S₂を開いたときの、端子a-b間の合成抵抗 [Ω] は。
45
60
75
120