Beta
ホーム
私たちについて
Neuro Quest|過去問ダンジョン
FAQ
ホーム
過去問ダンジョン
第二種電気工事士
2025年度 過去問解説
第二種電気工事士
/
2025年度 過去問解説
問5
電気理論
前の問題
問題
05
/ 50
タップで一覧
次の問題
出典
令和7年度 第二種電気工事士試験(上期)
問 5
問題マップ
誤り・バグを報告
イ
ロ
ハ
ニ
回答を確定する
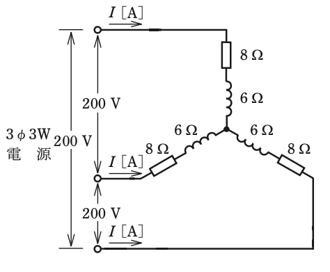
図のような三相3線式回路に流れる電流 I [A] は。
8.3
11.6
14.3
20.0