Beta
ホーム
私たちについて
Neuro Quest|過去問ダンジョン
FAQ
ホーム
過去問ダンジョン
第二種電気工事士
2023年度 過去問解説
第二種電気工事士
/
2023年度 過去問解説
問4
電気理論
前の問題
問題
04
/ 50
タップで一覧
次の問題
出典
令和5年度 第二種電気工事士試験(上期・午前)
問 4
問題マップ
誤り・バグを報告
イ
ロ
ハ
ニ
回答を確定する
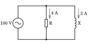
図のような回路で、抵抗Rに流れる電流が 4 A、リアクタンスXに流れる電流が 3 A であるとき、この回路の消費電力 [W] は。
300
400
500
700