出典
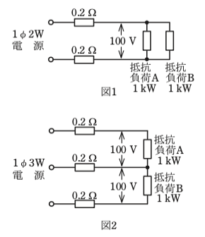
図1のような単相2線式回路を、図2のような単相3線式回路に変更した場合、配線の電力損失はどうなるか。 ただし、負荷電圧は 100 V 一定で、負荷A、負荷Bはともに消費電力 1 kW の抵抗負荷で、電線の抵抗は1線当たり 0.2 Ω とする。