Beta
ホーム
私たちについて
Neuro Quest|過去問ダンジョン
FAQ
ホーム
過去問ダンジョン
第二種電気工事士
2023年度 過去問解説
第二種電気工事士
/
2023年度 過去問解説
問27
測定・検査
前の問題
問題
27
/ 50
タップで一覧
次の問題
出典
令和5年度 第二種電気工事士試験(上期・午前)
問 27
問題マップ
誤り・バグを報告
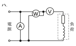
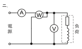
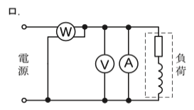
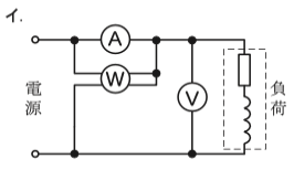
イ
ロ
ハ
ニ
回答を確定する
単相交流電源から負荷に至る回路において、電圧計、電流計、電力計の結線方法として、正しいものは。