Beta
ホーム
私たちについて
Neuro Quest|過去問ダンジョン
FAQ
ホーム
過去問ダンジョン
第二種電気工事士
2023年度 過去問解説
第二種電気工事士
/
2023年度 過去問解説
問1
電気理論
前の問題
問題
01
/ 50
タップで一覧
次の問題
出典
令和5年度 第二種電気工事士試験(下期・午前)
問 1
問題マップ
誤り・バグを報告
イ
ロ
ハ
ニ
回答を確定する
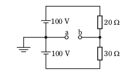
図のような直流回路で、a-b間の電圧 [V] は。
10
20
30
40