Beta
ホーム
私たちについて
Neuro Quest|過去問ダンジョン
FAQ
ホーム
過去問ダンジョン
第二種電気工事士
2022年度 過去問解説
第二種電気工事士
/
2022年度 過去問解説
問6
配線設計
前の問題
問題
06
/ 50
タップで一覧
次の問題
出典
令和4年度 第二種電気工事士試験(上期・午前)
問 6
問題マップ
誤り・バグを報告
イ
ロ
ハ
ニ
回答を確定する
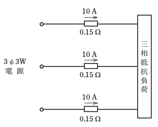
図のような三相3線式回路で、電線1線当たりの抵抗が0.15Ω, 線電流が10Aのとき、この電線路の電力損失 [W] は。
15
26
30
45