Beta
ホーム
私たちについて
Neuro Quest|過去問ダンジョン
FAQ
ホーム
過去問ダンジョン
第二種電気工事士
2022年度 過去問解説
第二種電気工事士
/
2022年度 過去問解説
問9
配線設計
前の問題
問題
09
/ 50
タップで一覧
次の問題
出典
令和4年度 第二種電気工事士試験(下期・午後)
問 9
問題マップ
誤り・バグを報告
イ
ロ
ハ
ニ
回答を確定する
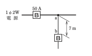
図のように定格電流50 Aの過電流遮断器で保護された低圧屋内幹線から分岐して、7 mの位置に過電流遮断器を施設するとき、a-b間の電線の許容電流の最小値 [A] は。
12.5
17.5
22.5
27.5