Beta
ホーム
私たちについて
Neuro Quest|過去問ダンジョン
FAQ
ホーム
過去問ダンジョン
電験三種
2025年度 過去問解説
電験三種
/
2025年度 過去問解説
機械
/
問14
前の問題
問題
46
/ 54
タップで一覧
次の問題
出典
令和7年度 第三種電気主任技術者試験(上期)
問 14
問題マップ
誤り・バグを報告
1
2
3
4
5
回答を確定する
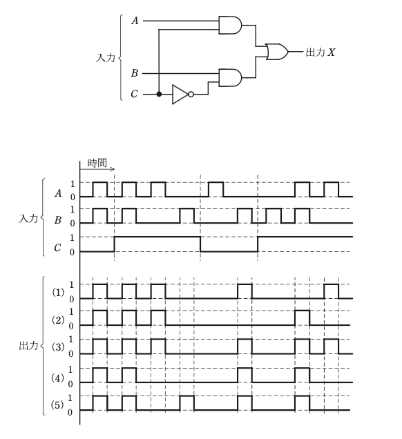
図の論理回路に、図に示す入力 A、B 及び C を加えたとき、出力 X として正しいものを次の(1)~(5)のうちから一つ選べ。
出力X:(1)
出力X:(2)
出力X:(3)
出力X:(4)
出力X:(5)