出典
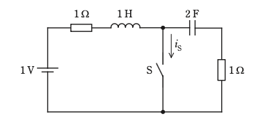
図の回路のスイッチ S を t=0t = 0t=0 s で閉じる。電流 iSi_SiS [A]の波形として最も適切に表すものを次の(1)~(5)のうちから一つ選べ。
ただし、スイッチ S を閉じる直前に、回路は定常状態にあったとする。